HF烷基化喷嘴gydF4y2Ba

定制解决方案公告104gydF4y2Ba
应用# 090870gydF4y2Ba
工业:原油加工gydF4y2Ba
应用:HF烷基化gydF4y2Ba
产品描述:喷嘴管gydF4y2Ba

情境:gydF4y2Ba

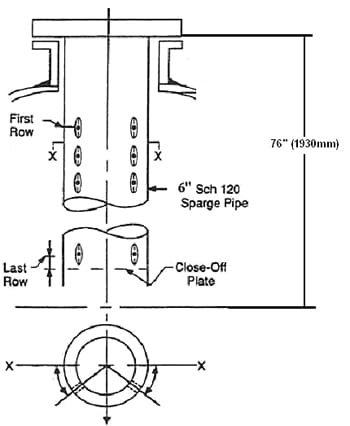
在炼油过程中,烯烃与异汽提塔或异丁烯(也称为碳氢化合物)结合,转化为可用的燃料。这些碳氢化合物需要在充满氢氟酸(HF)的反应器中均匀分布。HF充当催化剂,将碳氢化合物转化为燃料而不被消耗。反应发生后,转换后的燃料和HF酸被转移到一个沉淀罐,HF从燃料中分离出来。燃料和氟化氢都被送到第二个反应堆,在那里重复这一过程。一个典型的反应堆可能有6个喷嘴管。gydF4y2Ba

解决方案:gydF4y2Ba

喷嘴管的规格要求它是一件,在管的表面没有挤压。下面的例子有136个喷嘴孔。BETE能够将喷嘴加工到管的表面,而不需要将弹头焊接到管上。这是可能的,因为BETE先进的加工能力。BETE是某些工艺许可商喷嘴管的强制性供应商。gydF4y2Ba

要讨论您的流体相关挑战,请联系BETE应用工程,电话:413-772-0846或gydF4y2Baappeng@bete.comgydF4y2Ba.gydF4y2Ba